What is Dry Claw Vacuum Technology?

Air-cooled, compact and oil free, dry claw vacuum technology is the pump of choice for rough vacuum applications such as CNC routing, pneumatic conveying, and central hospital systems. Claw pumps are an ideal solution to use with Variable Frequency Drives (VFD). Features like corrosion resistance contribute to the durable design, while modular configurations allow for easy disassembly or repairs. The energy-efficient design offers energy savings over other vacuum technologies. Dry claw technology is offered in a wide range of standard sizes and can be modified for special applications. 

 

Explore Our Dry Claw Vacuum Pumps

 

Dry Claw Vacuum Rotors

Dry Claw Operating Principle

Dry claw vacuum technology is based on a static compression system. In contrast to rotary lobes, compression happens internally by volume contraction. Inside the pumps, two claw-shaped rotors turn in opposite direction inside the cylinder wall. These rotors operate without the aid of a sealing fluid and in a non-contacting manner due to the tight machining tolerances and their unique claw shape.

As the claw-shaped rotors move, they expand a volume of air at the inlet of the pump, carrying that volume around the outside of the pumping chamber, and then compressing that volume out of the exhaust. The shape of the claw maximizes transport volume per cycle while effectively timing the opening and closing of the suction and exhaust channels against expansion and contraction of that volume. 

Advantages of Claw

Quiet Operation

Low noise levels 

Low Maintenance Costs 

Dry claw technology operates without sealing fluid inside the pumping chamber which greatly reduces maintenance intervals and costs.  Claw pumps offer features such as corrosion resistance and modular configuration for easy disassembly and repairs. 

Energy-Efficient 

As dry claw technology is non-contacting, friction is minimized, and energy-efficiency is maximized. 

Variable Speed Drive (VSD)  

Dry claw technology is VSD compatible, which offers significant energy savings compared to fixed speed machines. 






Nash Claw Vacuum Pump NDC301

Features and Specs

Dry claw vacuum pumps are a flexible solution that can be custom-engineered to meet the requirements of specific applications. 

The features and specifications of Nash Dry Claw (NDC) Series products are shown below. Contact Nash for more information. 

 

Dry Claw Vacuum Diagram

Nash Dry Claw (NDC) Series

Nash specializes in dry claw technology and provide a wide range of dry vacuum pumps packaged as bare pumps, pre-engineered or engineered-to-order systems. Engineered-to-order systems are custom designed to meet customer process requirements. Pre-engineered packages are available for quick shipment with plug & play installation.

Nash Dry Claw Vacuum Series

Nash dry claw technologies offer standard features such as a flanged motor, silencing hood, fine mesh filter, vacuum non-return valve on suction side and vacuum relief valves. Additional features are available, including active-cooling technology. 


NDC60-NDC251 

  • Nominal Capacity: 42-148.8 acfm
  • Base Pressure: 75-150 Torr
  • Nominal Motor Power: 2-7.5 HP




    Technical Data Chart for Dry Claw Vacuum Pumps

    NDC60-NDC251 Dry Claw Spec Sheet

    Technical Data on Nash Dry Claw Series NDC301-NDC1000 Vacuum Pump

    NDC301-NDC1000 Performance Curve

    NDC301-NDC1000 

    • Nominal Capacity: 203 to 671 acfm
    • Base Pressure: 113 to 150 Torr
    • Nominal Motor Power from 7.5 to 30 HP

    NDC62  

    • Nominal Capacity: 43.5 acfm
    • Base Pressure from 75 Torr
    • Nominal Motor Power from 2.4HP

    NDC122

    • Nominal Capacity: 84.8 acfm
    • Base Pressure: 75 Torr
    • Nominal Motor Power: 4.1HP



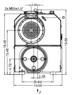
    Dimensions

    Dimensions may vary. Engineered-to-order systems are custom designed to meet customer process requirements. Pre-engineered vacuum packages are available for quick shipment with plug & play installation. 

    Dimensions for Nash Dry Claw NDC62

    Applications for Dry Claw Technology

    Applications and Industries for Dry Claw Vacuum Technology

    The addition of optional coatings and shutdown purging can enable claw pumps to handle higher water vapor processes such as municipal sewage lift stations. Pump flushability allows them to deal with harsher processes with carryover such as plastic extrusion and molding. With minimal maintenance, they are an ideal choice for applications such as CNC routing hold down or vacuum manipulation of objects for automation tasks. 

    Dry vacuum technology is required in a considerable number of applications including plastic extrusion, drying, bottling, packaging, and within central hospital systems worldwide. Dry claw vacuum pumps are sometimes used in tandem with booster pumps but can be used alone when high vacuum or slower pumpdown rates are allowed. These pumps are a preferred choice in the following applications:  

    • Thermoforming 
    • Milking Parlors
    • Pick and Place
    • Water and Sewage Handling
    • Printing and Paper Converting
    • Medical Systems

     

    1
    en